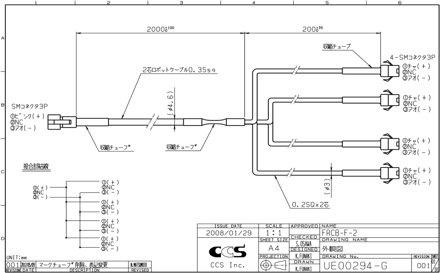
FRCB-F-2
- 特注品
24V入力のLED照明と24V出力の電源を接続する際に使用する、長さが2mの4分岐ケーブル。
SMコネクタ3ピンタイプ。屈曲性・耐久性に優れたロボットケーブル。

本製品は特注品です。
詳しくは担当営業にお問い合わせください。
詳しくは担当営業にお問い合わせください。
製品カテゴリ
-
画像処理用
リング
リング型ローアングル
リング(防水)
バー(エリア)
角型ローアングル
フラット
フラットドーム
ラインパターン
ドーム
同軸
パワーフラッシュ
紫外照明・紫照明
赤外照明 (~1000nm)
赤外照明 (1000nm~)
スポット
ファイバヘッド
光源ユニット
ライン(集光)
ライン(拡散光)
ライン(斜光)
基準光源
干渉縞検査用照明
特注品
ソリューション
Effilux Products
Basler Camera Light シリーズ
-
電源
デジタル電源
ストロボ電源
パワーフラッシュ電源
PCI Expressボード型照明コントローラー
PoE対応コントローラー
EtherNet/IP対応コントローラー
LED照明コントローラー
HLVシリーズ専用電源
大容量定電流アナログ電源
大容量アナログ電源
CCS AItec専用電源
-
ケーブル
ストレートケーブル
2分岐ケーブル
4分岐ケーブル
ロボットケーブル
2分岐ロボットケーブル
4分岐ロボットケーブル
ELコネクタタイプ ストレートケーブル
ELコネクタタイプ 2分岐ケーブル
PFシリーズ専用ケーブル
7ピンメタルコネクタタイプ ストレートケーブル
37ピンメタルコネクタタイプ ストレートケーブル
M12コネクタタイプ ストレートケーブル
外部制御ケーブル
中継コネクタ
ACケーブル
-
オプション
フィルター
拡散板
偏光板
ライトコントロールフィルム
保護板
アダプター
レンズ取付リング
固定治具
ブラケット
コンバータ
同軸ユニット
反射板
集光レンズ
ライトガイド
-
レンズ
テレセントリックレンズ
マクロレンズ
-
ツール
電源用プログラム
電源用バージョンアップツール
電源用アプリケーションノート
-
アグリバイオ
植物研究用LED照明
ISL-150X150シリーズ専用電源
ISL-150X150シリーズ専用延長ケーブル
-
目視・顕微鏡
顕微鏡用照明









